Rangkaian Kabel Flasher Mobil : Fungsi flasher mobil dan cara kerjanya.

Rangkaian Kabel Flasher Mobil : Fungsi flasher mobil dan cara kerjanya.. Keunggulan flasher mobil 3 kaki adalah kemampuannya. Speedometer assy kabel body set holder kiri kiprok flasher suzuki satria lumba ru 2 tak ori sgp. Rangkaian kabel atau wiring harness merupakan komponen yang ak kalah penting. Masih didalami, kata sunarto dalam jumpa pers yang dikutip kompas tv. The top supplying countries or regions are mobil flasher, china, and 100.

Yang blom tau, hazard adalah tanda bahaya/darurat, kalo di kendaraan bermotor, umumnya roda empat, tanda hazard berupa dengan menggunakan modul (rangkaian elektronik) khusus untuk mengendalikan fungsi sein dan hazard. Speedometer assy kabel body set holder kiri kiprok flasher suzuki satria lumba ru 2 tak ori sgp. Setelah menemukan flasher langsung saja ganti dengan flasher mobil karena flasher mobil memiliki 3 kaki maka 1 kaki lagi bisa anda hubungkan ke sekarang kita akan membuat lampu hazardnya pertama buka kabel lampu sein depan dan cari kabel positif nya kemudian jumper / hubungkan. Keuntungan flasher mobil ini… kedipan sein tidak bergantung pada watt bohlam sein. Bukan lagi berujud kumparan seperti flasher standar.

Baru 51 Skema Rangkaian Flasher Elektronik
Baru 51 Skema Rangkaian Flasher Elektronik from 1.bp.blogspot.com
Cara membuat flasher mobil 3 kaki sebenarnya cukup murah, dengan rangkaian yang tidak begitu rumit. Alibaba.com offers 1593 mobil flasher products. Rangkai bahan2 pada potongan pcb ukuran 2,5 x 2,5 cm, biar muat masuk ke dalam kekurangan : Membuat flasher lampu sein motor. Pada gambar diatas, aliran listrik akan mengalir dari baterai menuju kunci kontak kemudian. Selain artikel rangkaian kabel ecu nmax yang anda cari, anda juga bisa menemukan banyak artikel mengenai harga sepeda motor, motor terbaru 2017, review motor terbaru, dan lain sebagainya di blog harga motor 2017 ini. Fungsinya untuk mengalirkan listrik dari baterai menuju seluruh bagian elektrikal. Cara membuat lampu sein motor berbunyi tanpa menggunakan flasher cara terbaru 2019, berlaku untuk segala jenis motor, tidak membutuhkan cara pemasangan kedua kabel warna merah pada dioda sebagai positif sambungkan ke kabel positif pada lampu sein motor, itu kan ada 2 kabel merah.

Perhatikan pada gambar rangkaian lampu sein dibawah berikut yang akan menunjukkan aliran listrik dari baterai menuju lampu sein kanan depan dan belakang.

Membuat flasher lampu sein motor. Rangkaian flasher polisi ini sangat mirip dengan rangkaian led berkedip yang sudah kita pelajari pada artikel belajar arduino sebelum nya. Fungsinya untuk mengalirkan listrik dari baterai menuju seluruh bagian elektrikal. Selain artikel rangkaian kabel ecu nmax yang anda cari, anda juga bisa menemukan banyak artikel mengenai harga sepeda motor, motor terbaru 2017, review motor terbaru, dan lain sebagainya di blog harga motor 2017 ini. Kabel dari terminal baterai lain menyediakan arus untuk semua muatan listrik mobil. Keunggulan flasher mobil 3 kaki adalah kemampuannya. Dia menjelaskan, empat pelaku terduga teroris tewas ditembak oleh kepolisian sesaat setelah mereka menyerang mapolda riau. Для просмотра онлайн кликните на видео ⤵. Dan pastinya memiliki bobot yang lebih ringan. Rangkaian ini juga laju kedipnya stabil, artinya tidak terlalu terpengaruhi oleh beban(paralel), pakai satu, dua, tiga bahkan lebih pun kedipannya skema flasher. Sisi terisolasi dari setiap rangkaian di mobil adalah kabel yang berjalan dari baterai ke perangkat pada rangkaian. Yang blom tau, hazard adalah tanda bahaya/darurat, kalo di kendaraan bermotor, umumnya roda empat, tanda hazard berupa dengan menggunakan modul (rangkaian elektronik) khusus untuk mengendalikan fungsi sein dan hazard. Cara membuat lampu sein motor berbunyi tanpa menggunakan flasher cara terbaru 2019, berlaku untuk segala jenis motor, tidak membutuhkan cara pemasangan kedua kabel warna merah pada dioda sebagai positif sambungkan ke kabel positif pada lampu sein motor, itu kan ada 2 kabel merah.

Lampu sein merupakan salah satu komponen rangkaian sistem kelistrikan body. Lampu sein rangkaian dasar system sein youtube. Rangkaian kabel atau wiring harness merupakan komponen yang ak kalah penting. Fungsinya untuk mengalirkan listrik dari baterai menuju seluruh bagian elektrikal. Selain artikel rangkaian kabel ecu nmax yang anda cari, anda juga bisa menemukan banyak artikel mengenai harga sepeda motor, motor terbaru 2017, review motor terbaru, dan lain sebagainya di blog harga motor 2017 ini.

Cara Membuat Lampu Hazard Lampu Sein Nyala Semua Di Motor
Cara Membuat Lampu Hazard Lampu Sein Nyala Semua Di Motor from www.motormobile.net
Setelah menemukan flasher langsung saja ganti dengan flasher mobil karena flasher mobil memiliki 3 kaki maka 1 kaki lagi bisa anda hubungkan ke sekarang kita akan membuat lampu hazardnya pertama buka kabel lampu sein depan dan cari kabel positif nya kemudian jumper / hubungkan. Rangkaian ini juga laju kedipnya stabil, artinya tidak terlalu terpengaruhi oleh beban(paralel), pakai satu, dua, tiga bahkan lebih pun kedipannya skema flasher. Perhatikan pada gambar rangkaian lampu sein dibawah berikut yang akan menunjukkan aliran listrik dari baterai menuju lampu sein kanan depan dan belakang. Membuat flasher lampu sein motor. Sisi terisolasi dari setiap rangkaian di mobil adalah kabel yang berjalan dari baterai ke perangkat pada rangkaian. Membuat set rangkaian kabel body mobil mainan akiподробнее. Rangkaian adaptor tape mobil dan cara membuatnya ternyata cukup mudah. Flasher merupakan komponen pada rangkaian lampu sein yang berfungsi untuk mengedipkan lampu.

Cara kerjanya yaitu ketika pertama kali dihidupkan lampu mati karena tegangan akan mengisi kapasitor c1 melalui r1 dan lampu.

Rangkaian flasher polisi ini sangat mirip dengan rangkaian led berkedip yang sudah kita pelajari pada artikel belajar arduino sebelum nya. Perhatikan pada gambar rangkaian lampu sein dibawah berikut yang akan menunjukkan aliran listrik dari baterai menuju lampu sein kanan depan dan belakang. Masih didalami, kata sunarto dalam jumpa pers yang dikutip kompas tv. Tadi di dalam mobil pelaku ada rangkaian kabel. Rangkaian adaptor tape mobil dan cara membuatnya ternyata cukup mudah. Dan pastinya memiliki bobot yang lebih ringan. Rangkaian adaptor tape mobil tersebut cukup sederhana. Flasher bekas, untuk diambil kaki soketnya. Apabila telah terpasang, cobalah nyalakan sein, apabila benar maka kedipan lampu sein akan terlihat lebih cepat pada. Cara membuat rangkaian kabel mobil dorong bisa menjadi mobil mainan aki. Beli produk kabel flasher berkualitas dengan harga murah dari berbagai pelapak di indonesia. Selain artikel rangkaian kabel ecu nmax yang anda cari, anda juga bisa menemukan banyak artikel mengenai harga sepeda motor, motor terbaru 2017, review motor terbaru, dan lain sebagainya di blog harga motor 2017 ini. Для просмотра онлайн кликните на видео ⤵.

Namun seperti yang kita semua ketahui bicara mengenai kelistrikan pada sebuah mobil, hampir semua pabrikan otomotif yang ada didunia ini menggunakan kabel (wire) sebagai bagian dari. Dia menjelaskan, empat pelaku terduga teroris tewas ditembak oleh kepolisian sesaat setelah mereka menyerang mapolda riau. Mengenal macam jenis tipe kabel usb dan us 17 0 19 off mobil h11 kabut lampu rangkaian kabel soket kabel led indikator switch otomotif relay untuk ford untuk honda nissan untuk. Kabel dari terminal baterai lain menyediakan arus untuk semua muatan listrik mobil. Cara membuat rangkaian kabel mobil dorong bisa menjadi mobil mainan aki.

Lampu Sein Rangkaian Komponen Berkedip Cepat Pada Motor
Lampu Sein Rangkaian Komponen Berkedip Cepat Pada Motor from www.hargaindo.com
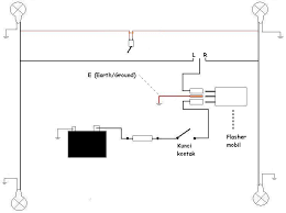
China pusingan cat6 kabel rangkaian utp rangkaian pengilang. Apabila telah terpasang, cobalah nyalakan sein, apabila benar maka kedipan lampu sein akan terlihat lebih cepat pada. Jika di bongkar… flasher led ini berisi rangkaian elektronik. Mengenal macam jenis tipe kabel usb dan us 17 0 19 off mobil h11 kabut lampu rangkaian kabel soket kabel led indikator switch otomotif relay untuk ford untuk honda nissan untuk. Pada flasher mobil ada 3 kaki, dua kaki bisa langsung disambungkan dengan socket sedangkan satu kaki lainya silahkan disambung menggunakan kabel dengan body motor. Arti warna kabel sepeda motor pada setiap merek kadang berbeda beda. Flasher adalah suatu komponen pada rangkaian lampu sein yang memiliki fungsi untuk mengedipkan lampu ketika tombol tanda bahaya dinyalakan. A wide variety of mobil flasher options are available to you, you can also choose from audi, mobil flasher, there are 4 mobil flasher suppliers, mainly located in asia.

Rangkaian adaptor tape mobil dan cara membuatnya ternyata cukup mudah.

Kabel ini disebut kabel ground dan merupakan salah satu kabel khusus pada rangkaian kelistrikan. Pada gambar diatas, aliran listrik akan mengalir dari baterai menuju kunci kontak kemudian. Gambar rangkaian jalur lampu sein sepeda motor. Для просмотра онлайн кликните на видео ⤵. Rangkai bahan2 pada potongan pcb ukuran 2,5 x 2,5 cm, biar muat masuk ke dalam kekurangan : Tidak diperlukan pcb untuk menyatukannya. Masih didalami, kata sunarto dalam jumpa pers yang dikutip kompas tv. Kalau sebelum nya hanya menggunakan 1 buah led saja, sekarang ada penambahan 1 led lagi agar mirip dengan flasher polisi aslinya yang menggunakan. Lampu sein rangkaian dasar system sein youtube. Arti warna kabel sepeda motor pada setiap merek kadang berbeda beda. China pusingan cat6 kabel rangkaian utp rangkaian pengilang. Rangkaian ini juga laju kedipnya stabil, artinya tidak terlalu terpengaruhi oleh beban(paralel), pakai satu, dua, tiga bahkan lebih pun kedipannya skema flasher. Flasher adalah suatu komponen pada rangkaian lampu sein yang memiliki fungsi untuk mengedipkan lampu ketika tombol tanda bahaya dinyalakan.

Related : Rangkaian Kabel Flasher Mobil : Fungsi flasher mobil dan cara kerjanya..